鄯善县人民政府

政府信息公开

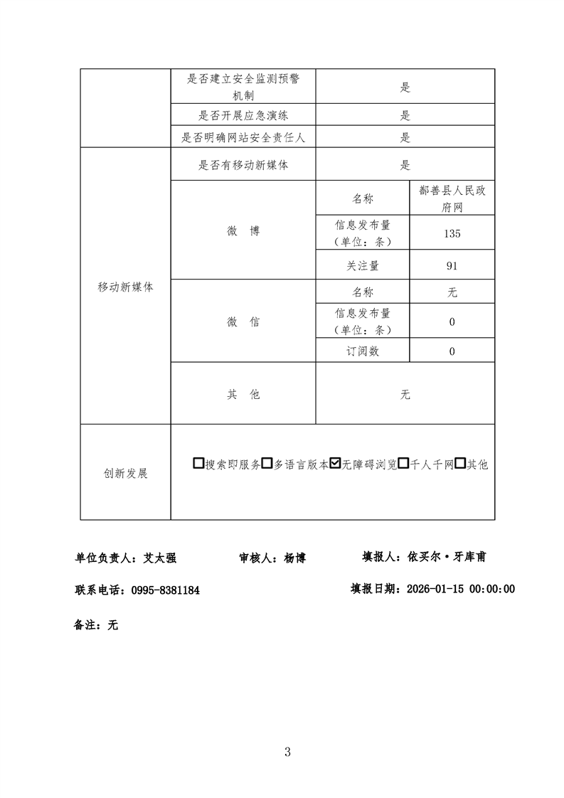
鄯善县2025年政府网站工作年度报表

发布时间:2026-01-15    浏览次数:    【字体: